
Malux specialises in communication equipment and solutions for harsh environments. The foundations of Malux’s success are based on excellent customer service, high-quality products and reliable suppliers. Malux Solution’s position as a system integrator is to provide a reliable working system to the customer for any infrastructure and used technology.
Malux’s unique solutions are proven to bring value to wide-scale global railway technology customers on rolling stock, yellow working machines and users on shunting yards.
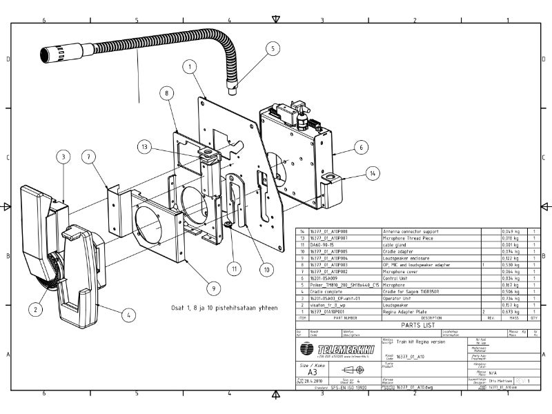
Malux railway communication system
Malux TrainTalk™ Communication System is a flexible system that makes life easier for both train drivers and staff by using portable GSM-R phones that work outside and inside the trains. Malux TrainTalk™ increases safety as it is robust and reliable, and simple to use.
Malux TrainTalk™ low loss (-3dB) signal decoupling between GSM-R phone and Malux Cradle external train antenna connection confirms GSM-R signal coverage and sensitivity. External train antenna connection is RF interference free. Standard antenna cable connectors give possibility to add inline external RF filter components in case needed. GSM-R phone cradle keeps the phone constantly charged and lets the driver operate hands-free. Malux Change Over Unit allow operation for both direction of the train. Malux TrainTalk™ is easy to install and reliable to use with any cab radio.
Malux TrainTalk™ includes versatile kits and mounting brackets for flexible installation, a handset with safety lock, high-quality background noise-cancelling microphone, adjustable loudspeaker, large Push-to-Talk (PTT) button or footswitch, and outlet to external train antenna to prove best possible coverage.
Malux TrainTalk™ fulfils EN 45545-2, EN 50155, EN 61373, EN 50121-3-2, EN 50121-4 standards. With SED OPH-810R and SED OPS-810R (Shunting) GSM-R phones TrainTalk™ is fulfilling EIRENE standard SRS 16.0.0 and FRS 8.0.0.
Robustness and high quality is measurable by MTBF of 93,000 hours, including all components (cradle, microphone, handset) and MTBF 180,000 hours for the TrainTalk™ control unit.
Malux TrainTalk™ and Malux Charger Cradle Kit supports SED OPH/OPS-810R phones and Sagemcom (Sierra Wireless) TiGR 350/550R GSM-R phones.
Railway communication units for GSM-R phones
Malux Finland delivered first GSM-R phones and customised accessory solutions to Finnish Railways during 2010 GSM-R Network utilisation in Finland. Malux Finland delivered Sagem GSM-R phones and Kapsch GSM-R Cab Radio solutions to Finnish Railways. Malux developed TrainTalk™ system integration between cab radio and handheld GSM-R phone that still brings value to global railway customers.
After Finnish Railways decided to move to use TETRA infrastructure on railway communication in 2018, Malux Finland introduced TETRA Cab Radio solution to Finnish Railways, including full-scale technical support services.
In 2019, Malux AB and Funkwerk Systems GmbH signed an exclusive distributor agreement that covers Denmark, Norway, Sweden and Finland. In Finland, Malux will be first in line to provide future secure LTE solutions to the customer.









